
Key Specifications / Features
The 1-piece Uni-Body Ball Valve Manufacturer produces robust ball valves that comply with ASME B16.34 standards. These valves are available in customized sizes and are designed to handle pressures up to 2000 PSI, making them suitable for high-pressure applications. They meet the stringent NACE MR0175 requirement, ensuring resistance to sulfide stress cracking in sour service environments. The valves feature a reduced port design, which helps in maintaining flow efficiency while optimizing space.
- Model No.: KV-20250526-TBV-02
- Hits: 38
- Categories: Threaded Ball Valve
- Tags: 1-piece Ball Valve, Uni-Body Ball Valve, NACE MR0175 Ball Valve
Detail Information
Product Name: 1-piece Uni-Body Ball Valve, Reduced Port
Design Standard: ASME B16.34
Body Material: ASTM A216 WCB
Size: Customized
Pressure: 2000 PSI
End Connection: NPT Threaded
Nace Requirement: NACE MR0175
Operation: Lever
Medium: Water, Oil, Gas, etc
Temperature Range: -20°C to 150°C
The One-Piece Ball Valve, also known as the Quick Opening Ball Valve, Internal Thread Ball Valve, or Small Ball Valve, is suitable for controlling air, steam, water, gas, petroleum, petrochemical products, and corrosive media. The stainless steel variant is designed for pipelines with pressure ratings from PN 1.0 to 4.0 MPa and operating temperatures ranging from -29°C to 150°C (with reinforced polytetrafluoroethylene sealing rings) or up to -29°C to 200°C (with para polyphenyl sealing rings). This valve is primarily used to cut off or connect the flow in pipelines. Different body and sealing materials allow for applications involving water, steam, oil, nitric acid, acetic acid, and other chemical media.
Structural Features
» Port Type: Reduced Port
» Size Range: 1/2-2 Inch
» Pressure Rating: 2000 PSI (138 Bar)
» Body Materials: ASTM A216 WCB (Carbon Steel), ASTM A351 CF8M (Stainless Steel)
» Seat Materials: RPTFE / MPTFE
» End Connections: ASME B1.20.1 (NPT), DIN 259 / DIN 2999 / ISO 228 / BSP / PT
» Two-Piece Investment Casting Body
» Seal-Welded Body for enhanced integrity
» Adjustable Packing Gland for reliable sealing
» Blow-out Proof Stem for safety
» Lockable Lever Handle for secure operation
» Supports 150 PSI Saturated Steam and 250 PSI Steam Service (Multi-Seal Seat)
» Optional Spring Return Oval Handle for easy operation
» Tested to API 598 (Valve Inspection and Testing)
» Manufactured to ASME B16.34 (Valve Pressure-Temperature Ratings and Design)
» Compliant with NACE MR-0175 (Materials Resistant to Sulfide Stress Cracking)
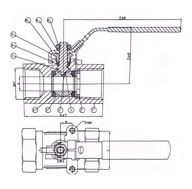
Structural Diagram

Materials of Main Parts
Item | PART NAME | MATERIAL |
1 | BODY | A216 WCB(CS) |
2 | BODY INSERT | A105(CS) |
3 | ANTI-STATIC DEVICE | A351 CF8M(SS) |
4 | STEM | A182 F316(SS) |
5 | BALL | A182 F316(SS) |
6 | SEAT | RPTFE |
7 | TRUST WASHER | RPTFE |
8 | STEAM PACKING | GRAPHITE |
9 | GLAND | A351-CF8(SS) |
10 | HANDLE | SS+PVC |
11 | RING | SS |
12 | NUT | A2-70(SS) |
Main Dimensions (mm)
Size | d | A | B | C | D | 2/UNC | NPT | Kgs |
1/2 Inch | 9.00 | 66.00 | 10.25 | 29.00 | 44.00 | 10-24UNC | 1/2 Inch | 0.28 |
3/4 Inch | 12.50 | 72.00 | 10.25 | 33.00 | 53.00 | 10-24UNC | 3/4 Inch | 0.40 |
1 Inch | 15.00 | 82.00 | 12.75 | 42.00 | 62.50 | 10-24UNC | 1 Inch | 0.65 |
1-1/4 Inch | 20.00 | 90.00 | 14.00 | 48.00 | 64.00 | 10-24UNC | 1-1/4 Inch | 0.46 |
1-1/2 Inch | 24.50 | 98.00 | 15.25 | 60.00 | 74.00 | 1/4-24UNC | 1-1/2 Inch | 1.34 |
2 Inch | 32.00 | 110.00 | 15.25 | 60.00 | 79.00 | 1/4-24UNC | 2 Inch | 2.10 |







