
Key Specifications / Features
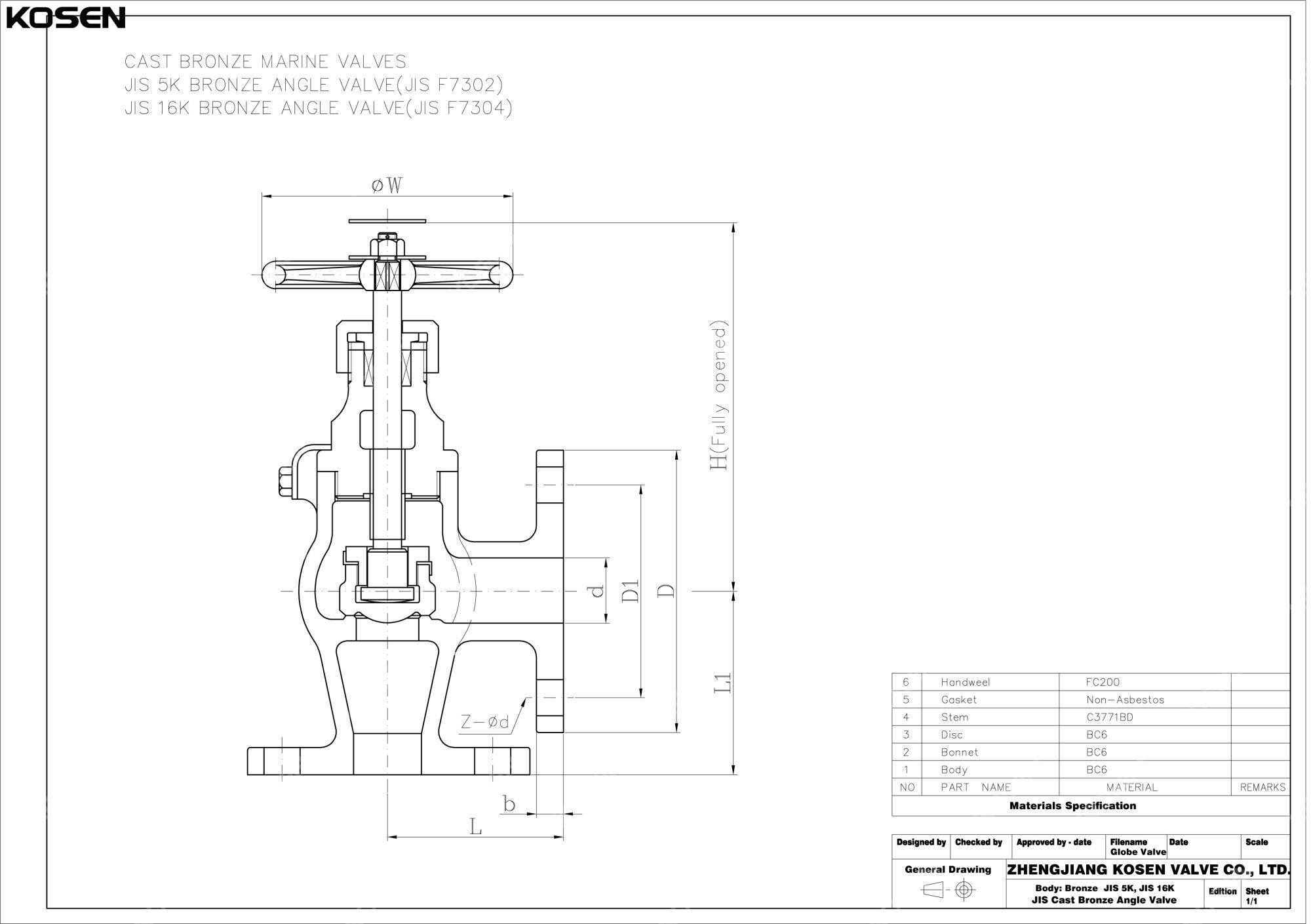
The JIS F7302 Angle Globe Valve features a cast bronze BC6 body, offering excellent corrosion resistance and durability. With a JIS 20A (3/4 inch) size and a pressure rating of JIS 5K, it is designed for reliable performance in various fluid control applications. The valve is operated using a handwheel for precise manual control and is equipped with FF flanged ends for secure installation.
- Model No.: KV-20250225-MGLV-01
- Hits: 60
- Categories: Marine Globe Valve
- Tags: Angle Globe Valve, JIS F7302 Globe Valve, JIS BC6 Globe Valve
Detail Information
Product Name: JIS F7302 Angle Globe Valve
Design Standard: JIS F7302
Body Material: Cast Bronze BC6
Size: JIS 20A (3/4 Inch)
Pressure: JIS 5K
End Connection: FF Flanged
Operation: Handwheel
Marine valves are essential equipment used to control the pressure, flow rate, and flow direction of fluids in ship pipelines, designed to withstand the specific environmental conditions aboard ships. These valves play a critical role in fluid pipeline systems by connecting or cutting off the flow of medium, changing its direction, adjusting pressure and flow rate, and ensuring the protection and efficient operation of pipeline equipment.
Materials of Main Parts
NO | Part name | Material |
1 | Body | BC6 |
2 | Bonnet | BC6 |
3 | Disc | BC6 |
4 | Stem | C3771BD |
5 | Gasket | Non-asbestos |
6 | Handweel | FC200 |








