
Key Specifications / Features
The Seal-Welded Ball Valve Supplier offers a robust and reliable ball valve constructed from ASTM A216 WCB cast carbon steel, ensuring durability and strength. This 2-piece valve features a 1/2 inch (DN15) size and can handle pressures up to 3000 PSI, making it suitable for high-pressure applications. It is designed with full port functionality to minimize pressure drop and maximize flow efficiency. The valve is equipped with NPT (National Pipe Thread) threaded ends for easy installation and compatibility with standard piping systems.
- Model No.: KV-20250529-TBV-02
- Hits: 42
- Categories: Threaded Ball Valve
- Tags: Seal-Welded Ball Valve, ASTM A216 WCB Ball Valve, 3000 PSI Ball Valve
Detail Information
Product Name: Seal-Welded Ball Valve, 2PC, FP
Body Material: ASTM A216 WCB
Size: 1/2 Inch, DN15
Pressure: 3000 PSI
End Connection: NPT Threaded
Operation: Lever
Medium: Water, Oil, Gas, etc
Temperature Range: -20°C to 150°C
A 3000 high-pressure ball valve is a valve with a 3000 PSI pressure rating. It is designed primarily for handling high-pressure applications in industrial settings with high durability. Due to its robust design, strong sealing method, and ease of operation, it is extensively used in industries such as petrochemicals, gas and oil, and hydraulics. The body of the 3000 PSI internal thread ball valve is cast using the silica gel process, resulting in a reasonable structure and an aesthetically pleasing shape. The 3000 PSI internal thread ball valve seat features an elastic sealing structure, ensuring reliable sealing and easy operation. The valve stem employs a bottom-mounted structure with an inverted seal. In the event of abnormal pressurization in the valve chamber, the valve stem will not be forced out.
Structural Features
» 2-Piece Threaded, Full Port 1/4-2 Inch
» Seal Weld Construction
» ASTM A216 WCB
» Rating of 3000 CWP
» NACE MR-01-75 Compliant
» Tested to API 598
» Locking Device Handle
» NPT Threaded Ends Comply with ANSI B1.20.1
» Blowout Proof Ball Valve Stem
» Anti-Static Ball Valve Device
» Mounting Pad
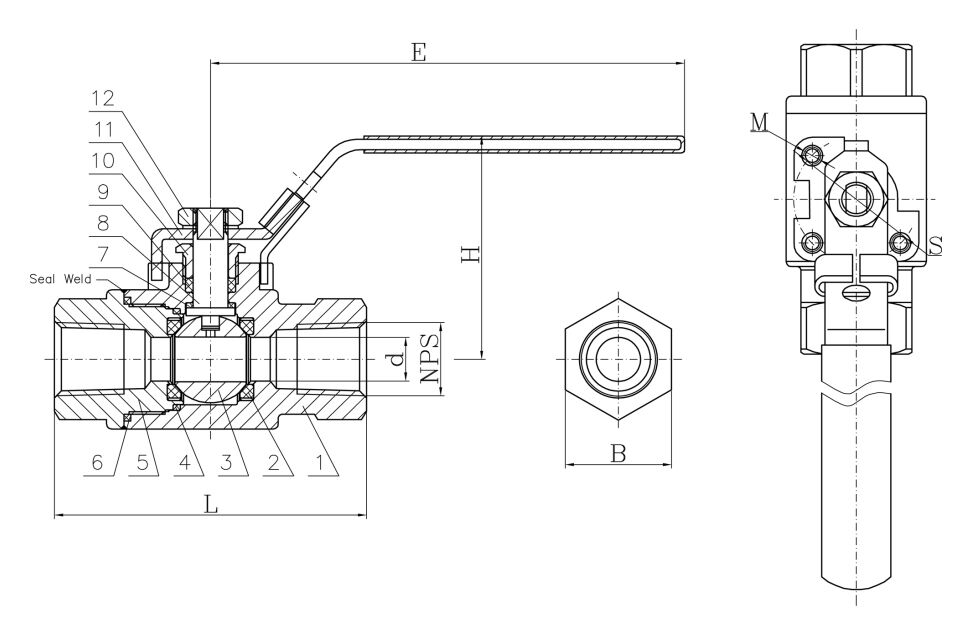
Structural Diagram
Materials of Main Parts
No | Part | Material |
1 | BODY | ASTM A216 WCB |
2 | SEAT | DELRIN, PEEK |
3 | BALL | SS 316 |
4 | WASHER | SS 316 |
5 | BONNET | ASTM A216 WCB |
6 | GASKET | SS 304 |
7 | WASHER | GRAPHITE |
8 | STEM | SS 316 |
9 | PACKING | RPTFE |
10 | GLAND | SS 304 |
11 | HANDLE | SS 201+PVC |
12 | NUT | A2-70 |
Main Dimensions (mm)
Size | Port | Pressure | d | L | H | S | M | E |
1/4 Inch | FP | 3000 PSI | 10 | 76 | 62 | 36 | M5 | 145 |
3/8 Inch | FP | 3000 PSI | 12.7 | 76 | 62 | 36 | M5 | 145 |
1/2 Inch | FP | 3000 PSI | 12.7 | 90 | 62 | 36 | M5 | 145 |
3/4 Inch | FP | 3000 PSI | 19 | 100 | 73 | 42 | M5 | 180 |
1 Inch | FP | 3000 PSI | 25 | 118 | 80 | 50 | M6 | 190 |
1-1/2 Inch | FP | 3000 PSI | 38 | 135 | 115 | 70 | M8 | 250 |
2 Inch | RP | 3000 PSI | 38 | 140 | 115 | 70 | M8 | 250 |







