
Key Specifications / Features
The Lug Type Wafer Check Valve Plant offers a robust solution for industrial fluid control applications. Manufactured in compliance with API 594 standards and crafted from high-quality Duplex Stainless Steel (ASTM A351 CD4MCU), this 10-inch (DN250) valve is designed for reliability and durability. It features a pressure class of 150 LB and PN20, ensuring it can handle demanding operating conditions. The lug type design allows for easy installation and maintenance, making it an ideal choice for various industrial processes.
- Model No.: KV-20250618-WCV-01
- Hits: 33
- Categories: Wafer Check Valve
- Tags: Lug Type Check Valve, ASTM A351 CD4MCU Check Valve, API 594 Check Valve
Detail Information
Product Name: Lug Type Wafer Check Valve
Type: Wafer Check Valve
Design Standard: API 594
Body Material: ASTM A351 CD4MCU, Duplex Stainless Steel
Size: 10 Inch, DN250
Pressure: Class 150 LB, PN20
End Connection: Lug
Temperature Range: -29°C to 595°C
Medium: Water, Gas, Oil, etc.
We are a specialized manufacturer of wafer check valves. Our unique design features a center vertical pin shaft. When the valve is open, the resultant force of the fluid acts on the center of the sealing face of the disc. Meanwhile, the counteracting spring support force is applied at the center of the disc surface, causing the disc to open from its root first. This design prevents wear on the sealing surface, a common issue with conventional valves, thereby enhancing the durability of the valve seal. A wafer check valve is a type of valve that automatically opens and closes based on the flow of the medium itself. It is primarily used to prevent the reverse flow of the medium.
Technical Specification
» Nominal Diameter: NPS 2–60 Inch (DN50–DN1500)
» Design Pressure: Class 150–2500 (PN10–PN420)
» Materials: ASTM A216 WCB, WCC, A217 WC6, WC9, C5, C12A, A352 LCB, LCC, A351 CF8, CF8M, CF3M, CF8C
» End Connections: wafer, Lug, Flanged.
» Design and Manufacture Standards: API 594, API 6D, JB/T 8937
» Face-to-Face (End-to-End): API 594, API 6D, JB/T 8937, DIN 3202
» Flanged Connection Standards: ANSI B16.5, DIN 2543–48, JB/T 9112–24
» Test and Inspection Standards: API 598, DIN 3230, JB/T 9092
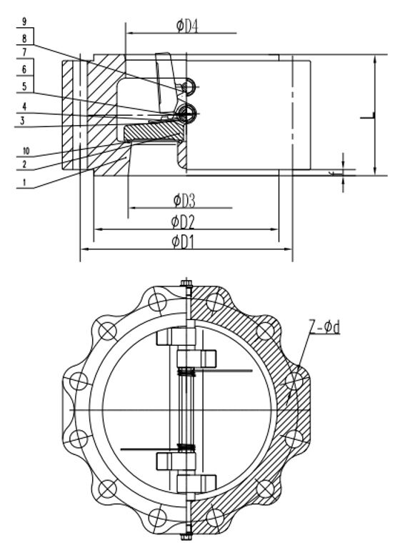
Structural Diagram
Product Features
» Light and Compact: Easy to install and handle.
» Zero Leakage Sealing Design with Soft Seated: Ensures a perfect seal with no leakage.
» Non-Slam Design: Prevents sudden closure and potential damage.
» Bubble Tight Shut Off: Achieves a tight seal with no fluid passing through.
» Discs Open 85°: Ensures a low pressure drop for efficient operation.







